- Zacisk aluminiowy, tuleja zaciskowa EN 13411-3, aluminium
- Klamra pasa bagażowego 25mm, 250 kg
- Nakrętka sześciokątna INOX DIN 934 ISO 4032, stal nierdzewna A2
- Szekla forma omega, standard fabryczny
- Lina stalowa 6x19+FC EN 12385-4, ocynk
- Kausza DIN 6899 B
- Zacisk kabłąkowy do liny DIN EN 13411-5 A
- Kółko, ogniwo spawane ocynk
- Spinacz do łańcucha SIMPLEX DIN 5287, forma A, ocynk
- Kausza INOX DIN 6899 A4 stal nierdzewna
- Lina stalowa 6x7+FC EN 12385-4, ocynk
- Klamra pasa bagażowego 20mm, 180 kg
Ręczne uchwyty do napinania przewodów i lin stalowych / Zacisk napinający
Cena regularna:
Cena regularna:
towar niedostępny
dodaj do przechowalni
5
Opis
Art.-Nr.: 4002.1314.0071
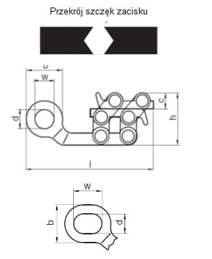
Zacisk napinający do lin
ZASTOSOWANIE
- Ręczne uchwyty do napinania przewodów stosuje się w trakcie wykonywania naciągu głównego linii napowietrznej lub trakcyjnej. Żabki te ze względu na specjalnie zaprojektowany profil szczęk zaciskowych pewnie utrzymują materiał nawet w przypadku trudnych warunków instalacyjnych (śnieg, deszcz, mróz). Narzędzie to jest idealnym rozwiązaniem do bezpiecznego mocowania przewodów AFL i lin stalowych. Najczęściej stosowane są w przymyśle energetycznym, stoczniowym oraz w budownictwie i rolnictwie. Profil szczęk jest specjalnie przystosowany do przewodów aluminiowych z rdzeniem stalowym. Napinanie nie powoduje uszkodzeń przeowdu roboczego.
• zaciski napinające służ do napinania i naciagania lin stalowych oraz kabli
PARAMETRY TECHNICZNE:
• obudowa: stal hartowana - szczęki: stal hartowana
• wersja ucho owalne lub okrągłe
• ochrona antykorozyjna: ocynk galwaniczny
CHARAKTERYSTYKA:
• wersja dla lin ze stali, miedzi oraz stali nierdzewnej
• maksymalny udźwig: wskazany na produkcie nie może zostać przekroczony.
CECHOWANIE:
• kod producenta / rozmiar nominalny NG
ŚWIADECTWA:
• świadectwo: 2.1 wg. PN-EN 10204:2005
TAGI I SŁOWA KLUCZOWE:
Uchwyt do napinania i chwytania prętów i drutu stalowego, uchwyty do napinania przewodów, napinanie przewodów miedzianych, napinanie przewodów z miedzi, napinanie lin stalowych, uchwyt do napinania przewodów typ, uchwyt do chwytania przewodów i lin, żabka do kabli, żabki do kabli nieizolowanych
Ceny hurtowe i dodatkowe rabaty: zadzwoń do nas +48 574 659 766 lub napisz sprzedaz@gargot.pl
