- Zacisk aluminiowy, tuleja zaciskowa EN 13411-3, aluminium
- Klamra pasa bagażowego 25mm, 250 kg
- Nakrętka sześciokątna INOX DIN 934 ISO 4032, stal nierdzewna A2
- Szekla forma omega, standard fabryczny
- Lina stalowa 6x19+FC EN 12385-4, ocynk
- Kausza DIN 6899 B
- Zacisk kabłąkowy do liny DIN EN 13411-5 A
- Kółko, ogniwo spawane ocynk
- Spinacz do łańcucha SIMPLEX DIN 5287, forma A, ocynk
- Kausza INOX DIN 6899 A4 stal nierdzewna
- Lina stalowa 6x7+FC EN 12385-4, ocynk
- Klamra pasa bagażowego 12mm, 100 kg
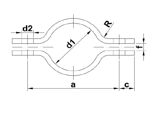
Obejma do rur DIN 3567 A, stal S235JR, ocynk ogniowy
Cena regularna:
Cena regularna:
towar niedostępny
dodaj do przechowalni
5
Opis
Obejma do rur, jednoczęściowa DIN 3567A
ZASTOSOWANIE
Obejma do rur stosowana do poziomego oraz pionowego montowania rur na teownikach, konsolach i konstrukcjach.
Nasze obejmy do rur są produkowane na podstawie aktualnie obowiązującej normy DIN ISO 2768 część 1 produkowane. Różnice muszą zostać potwierdzone w formie pisemnej. Wszystkie produkty, jeżeli nie podano inaczej, są formowane na zimno. Promienie łuków wg DIN 6935/EN 10025/EN 10088.
Dalsze wymiary, materiały i powierzchnie tylko na zapytanie.
PARAMETRY TECHNICZNE:
• dostępne materiały obejmy do rur : stal S235JRC surowe, ocynk galwaniczny i ocynk ogniowy, stal nierdzewna X5CrNi18-10 (1.4301), stal 13CrMo4-5 (1.7735), stal 13Mo3 (1.5415) , stal X6CrNiMoTi17-12-2 (1.4571)
CHARAKTERYSTYKA:
• wersja zgodna z normą DIN 1593
CECHOWANIE:
• brak
ŚWIADECTWA:
• deklaracja zgodności
Ceny hurtowe i dodatkowe rabaty: zadzwoń do nas +48 574 659 766 lub napisz sprzedaz@gargot.pl
